HFB120 Заливная горловина
Товар поставляется под заказ
Цена:
1 650
руб.
Добавить в корзину
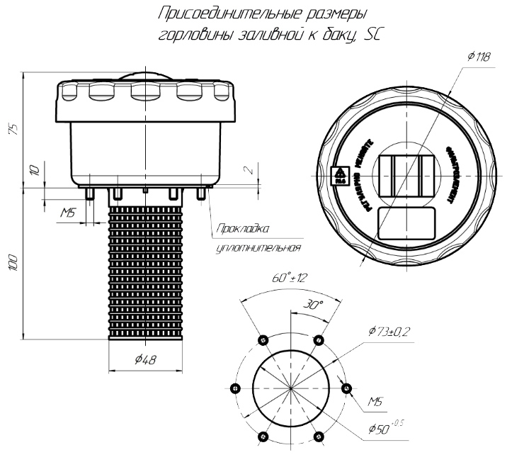
Заливная горловина своздушным фильтром изготовлена из ударопрочного и коррозионностойкого материала. Предназначена для грубой очистки заливаемого масла и очистки воздуха.
- Тонкость фильтрации 10 мкм
- Расход воздуха 1800 л/мин
- Съемный заливной фильтр
- Защита от расплескивания
- Сменный воздушный фильтроэлемент
- Рабочая температура - 40С° + 90С°
| Материал | |
| Крышка | Армированный полиамид |
| Корпус | Армированный полиамид |
| Уплотнение | NBR |
| Корзина | ПНД |
| Фильтроэлемент | Бумага, микрофибра |
| Совместимость жидкостей в соответствии с ISO2943 (Норм.ISO 6743/4) | |
| Минеральные масла | HH – HL – HM – HR – HV – HG |
| Водные эмульсии | HFAE - HFAS |
| Водные гликоли | HFC |
| Синтетические жидкости | HS – HFDR – HFDU – HFDS |





